Epic Eye Pixel Welding
안전 유의사항
안전 성명
-
본 제품을 사용하기 전에 반드시 제품 설명서를 읽고 주의사항 관련 정보를 정확히 이해하십시오. 주의사항을 준수하지 않을 경우, 장비 손상 또는 인명 중상·사망 사고가 발생할 수 있습니다.
-
본 설명서의 내용을 준수하지 않거나 제품을 잘못 사용하여 발생하는 인명 안전 사고, 재산 손실 등에 대하여 Transfer는 어떠한 법적 책임도 지지 않습니다.
주의사항
-
먼지가 많거나 강한 전자기 간섭, 강한 직사광선이 있는 환경 또는 온습도 허용 범위를 벗어난 환경에서 카메라를 사용하지 마십시오.
-
카메라 작동 중에 투사 광선을 직접 바라보지 마십시오. 눈에 손상을 줄 수 있습니다.
-
카메라 창이 깨끗한 상태를 유지하도록 하십시오. 창을 청소할 때는 먼지가 없는 천을 사용하십시오.
-
카메라에 전원이 공급된 상태에서 설치, 분해 또는 청소를 금지합니다.
-
카메라를 운반하거나 설치하는 과정에서 충격이나 낙하를 방지하십시오.
-
이상 현상(이상 소음, 냄새, 연기 등)을 발견하면 즉시 전원을 차단하고 점검하십시오.
-
카메라 및 관련 전원 케이블을 임의로 개조하지 마십시오.
포장 목록
개봉 시 카메라 및 부속품에 손상, 녹, 긁힘 등이 있는지 확인하고, 포장 목록과 대조하여 자재가 모두 있는지 확인하십시오. 카메라 및 부속품에 손상, 녹, 긁힘 등이 있거나 실제 자재가 포장 목록과 일치하지 않을 경우, Transfer에 문의하십시오.
기술 사양
기술 매개변수
시스템 매개변수 |
베이스라인 길이 |
85mm |
권장 작업 거리 |
300mm~700mm |
|
최적 작업 거리 |
500mm |
|
근거리 시야 |
295mm×175mm@0.3m |
|
원거리 시야 |
670mm×390mm@0.7m |
|
VDI/VDE 측정 정확도(1) |
0.1mm@0.5m |
|
Z축 단일 점 반복 정확도 |
0.03mm@0.5m |
|
픽셀 수 |
230만 |
|
해상도 |
1920×1200 |
|
일반 수집 시간 |
0.2s~0.7s |
|
전원 공급 |
24V ⎓ 2.5A |
|
피크 전력 |
32W |
|
평균 전력 소비 |
4.5W |
|
대기 전력 소비 |
2.5W |
|
하드웨어 매개변수 |
외형 치수(L*W*H) |
130mm×71mm×79mm |
설치 방법 |
고정 설치/로봇 팔 끝단 설치 |
|
통신 인터페이스 |
기가비트 이더넷 |
|
광원 |
파란색 LED(440nm) |
|
2D 카메라 |
흑백 |
|
환경 매개변수 |
작동 온도 범위 |
0℃~50℃ |
작동 습도 범위 |
20%~90% RH 응결 없음 |
|
보호 등급 |
IP65 |
|
냉각 방식 |
수동식 |
|
무게 |
1.01kg |
|
보관 온도 |
-20℃~70℃ |
|
보관 습도 |
20%~90% RH 응결 없음 |
(1):VDI/VDE 2634 Part II 표준 기반
본 매뉴얼의 매개변수 내용에 업데이트가 있을 경우, 별도로 통지하지 않습니다. 최신 발표된 데이터를 기준으로 해주시기 바랍니다.
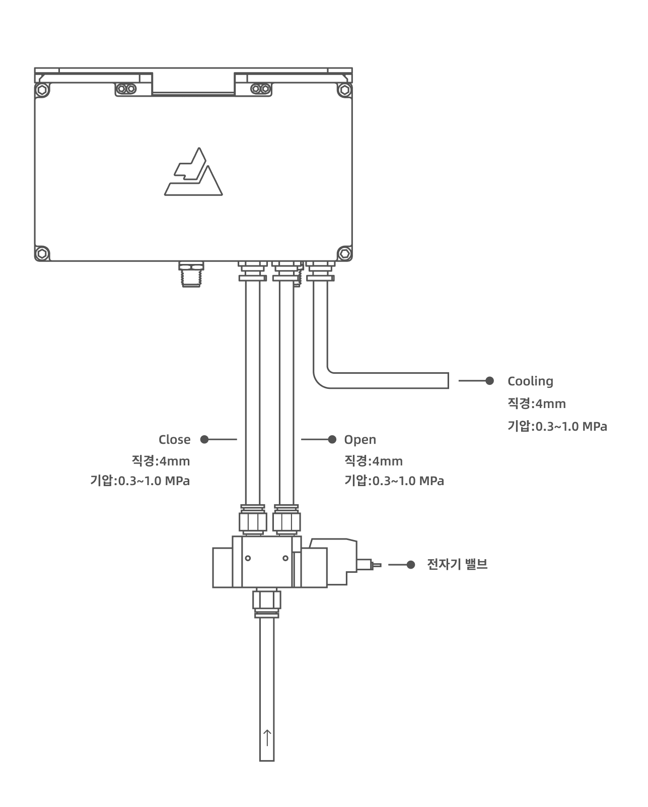
설치 및 연결
케이블 연결
전원 케이블 사양
물리적 매개변수
모델 |
직형 |
각형 |
CBL-PWR-8-20M CBL-PWR-8-30M |
CBL-PWR-8-10M-LU CBL-PWR-8-20M-LU CBL-PWR-8-30M-LU |
|
색상 |
검정 |
|
외피 재질 |
PVC |
|
외경 |
6.5(+0.15/-0.15)mm |
|
커넥터 |
M8, 직형 또는 각형, 4핀 산선단 |
|
도체 직경 |
0.5 mm² |
|
정적 굴곡 반경 |
65 mm |
|
동적 굴곡 반경 |
80 mm |
|
전자파 방해 차폐 성능 |
알루미늄 포일, 금속 네트, 이중 스크린 |
|
안전성 |
RoHS 준수 난연 등급: V-1 |
|
케이블 캐리어 테스트 |
굴곡 반경: 65mm 행정: 1000mm 속도: 3200 mm/s 횟수: ≥ 500만회 |
|
호환 카메라 모델 |
Pixel Welding, Pixel Pro, Pixel Mini |
|
이더넷 케이블 기술 사양
물리적 매개변수
모델명 |
직선형 헤드 |
앵글형 헤드 |
CBL-ETH-20M CBL-ETH-30M |
CBL-ETH-10M-LU CBL-ETH-20M-LU CBL-ETH-30M-LU |
|
색상 |
검정 |
|
외피 소재 |
TPU |
|
충전재 |
면사 |
|
외경 |
5.9(+0.1/-0.2)mm |
|
커넥터 |
M8, 직선형 또는 앵글형, 4핀 오픈 엔드 |
|
도체 직경 |
26 AWG |
|
정적 굽힘 반경 |
60 mm |
|
동적 굽힘 반경 |
50 mm |
|
전자파 방해 차폐 성능 |
알루미늄 포일, 금속 네트, 이중 스크린 |
|
안전성 |
RoHS 표준 준수 내연 등급: V-1 |
|
캐리어 체인 테스트 |
굽힘 반경: 50 mm 스트로크: 1000 mm 속도: 3200 mm/s 사이클 수: ≥ 100만 |
|
호환 카메라 모델 |
Pixel Welding, Pixel Pro, Pixel Mini |
|
교정판 설치
|
유지 보수
산업용 3D 카메라 하드웨어의 안정적인 운영과 측정 정확도를 보장하기 위해 정기적인 유지보수가 매우 중요합니다. 이는 장비의 수명을 연장할 뿐만 아니라 잠재적인 문제를 조기에 발견하고 예방하여 장비 고장률을 낮추고 생산라인의 연속적이고 안정적인 운영을 보장합니다. 유지보수 규정을 엄격히 준수하고 관련 기록을 철저히 해주시기 바랍니다.
일일 점검
-
전원 공급 상태가 정상인지 점검하고, 전원 케이블 연결부의 접촉 상태를 정기적으로 확인하며, 전원 전압 출력이 안정적이고 전원 공급 규격에 부합하는지 확인합니다. 필요한 경우 UPS(무정전 전원 장치)를 사용하여 예기치 않은 전원 차단을 방지합니다.
-
네트워크 연결이 안정적인지 확인하고 네트워크 전송 속도가 요구사항을 충족하는지 확인합니다.
-
작업 환경의 온도와 습도가 규정에 부합하는지 모니터링하고, 환기 상태가 양호한지 확인하여 카메라의 방열이 정상적으로 이루어지도록 합니다.
-
카메라 외관의 완전성을 점검하고, 파손, 변형, 부식 등의 이상 상태가 없는지 확인하며, 주변 물체와의 마찰이나 충돌 위험을 피합니다.
-
카메라 설치 및 어댑터 부품의 고정 상태를 점검하고, 변형, 느슨함, 흔들림 등의 이상이 없는지 확인합니다.
-
케이블 연결부의 응력 상태를 점검하고, 케이블 배선이 적절하며 과도한 굽힘이 없는지 확인하고, 외피의 노화나 균열 현상이 없는지 확인합니다.
정기 청소
카메라를 정기적으로 청소하여 렌즈가 깨끗하고 눈에 띄는 먼지와 얼룩이 없도록 유지하십시오. 카메라 본체는 깨끗한 부드러운 천으로 닦고, 카메라 렌즈는 렌즈 클리너나 유리 세정제를 묻힌 깨끗하고 부드러운 보풀이 없는 천으로 닦아 렌즈가 긁히지 않도록 하십시오.




